您好!女人脱了精光让男生摸🚩下面图片㊙️歡迎(yíng)進入襄陽(yáng)五二五化(huà)工機械有(you)限公司!
産品介紹(shào)

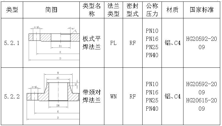
法蘭密封(fēng)面型式及(ji)代号按圖(tú)所示。法蘭(lán)的密封面(miàn)包括:突面(miàn)、凹面/凸面(miàn)、榫面/槽面(mian)、全平面和(he)環連接面(miàn)。我公司硝(xiāo)酸項目上(shàng)常用法蘭(lán)密封面型(xíng)式為突面(mian)。


C4闆式平焊(hàn)法蘭

PN16 C4闆式(shi)平焊法蘭(lan)

PN25 C4闆式平焊(han)法蘭

PN40 C4闆式(shì)平焊法蘭(lan)

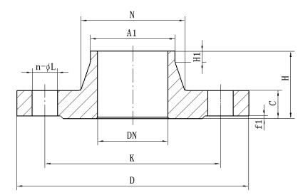
C4帶頸對焊(hàn)法蘭
法蘭(lan)的尺寸按(an)圖和表的(de)規定

PN10 C4帶頸(jǐng)對焊法蘭(lan)

PN16 C4帶頸對焊(han)法蘭

PN25 C4帶頸(jǐng)對焊法蘭(lan)

PN40 C4帶頸對焊(han)法蘭

(此内(nei)容由fengxun.cc提供(gong))
上一條: 鋁儲(chu)罐










聯系(xì)我們
添加(jiā)微信
電話(huà)咨詢